1.不同形式故障接線
(1) 接地故障:接地故障的沖擊高壓是加在故障相與電纜鎧裝之間的,故障間隙放電產生的振動,通過外皮傳到了地面上,容易被接收下來。
(2) 相對相故障:相對相故障時,沖擊高壓加到兩故障相之間(其中一相接鎧裝),故障間隙放電產生的振動被電纜絕緣和護層屏蔽,地面受到的地震波較弱。
(3) 斷線故障:斷線不接地故障接線如圖7.2所示,其中故障相要在遠端接地,以構成放電回路。因為電纜絕緣和護層阻隔了斷線處間隙放電的機械振動,地面上接收的地震波較弱。

圖7.2 斷線故障定點測試接線
2. 注意事項
(1) 故障點處的放電能量與放電電流和接地電阻的大小有關,故障點電阻不能太低,否則,將因放電能量小,而使定點儀聽不著放電聲,這就是聲測法特別適用于高阻故障的原因。
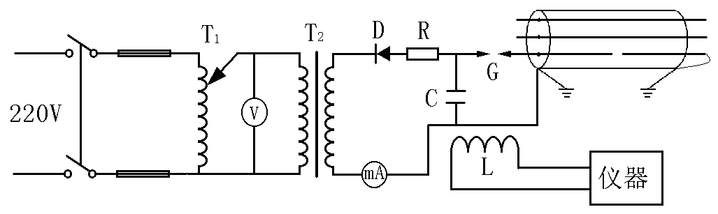
(2) 選用容量大的儲能電容(2~9微法),以及提高沖擊電壓均有利于加大故障點放電產生的地震波的強度,便于尋找故障點。
(3) 球間隙放電時間間隔一般取2~10s,放電太快,試驗設備易損壞,太慢則不易區別外界干擾。放電時間一般靠改變調壓器的電壓及球間隙大小來確定。專用高壓信號發生器的放電時間間隔由一時間繼電器來控制。
(4) 聲測放電時,若接地不夠好,則可能在電纜線路的護層與接地部分間有放電現象而易造成誤判斷。因此,特別在電纜裸出部分的金屬夾子處,要仔細認真地辨別真正的故障點。
一般在故障點除了能聽到聲音,還會有振動,用手觸摸振動點時,應戴絕緣手套。在電源端與故障點間的電纜線路上(包括穿于鐵管中的過橋電纜),聲測定點時在管上和電纜護層上會出現感應電壓而對地有輕微的放電聲,應與真正的故障點加以區別,一般真正的故障點聲音較響,而且有振動。
(5) 定點人員和操作高壓設備的人員通過步話機等手段保持聯絡,可方便地控制高壓設備的啟停及間隙放電時間間隔,有利于排除環境噪聲干擾,縮短故障定點時間。


客服1