直流高壓閃絡測試法
1. 直流高壓閃絡測試法應用范圍
直流高壓閃絡測試法(簡稱直閃法)用于測量閃絡擊穿性故障,即故障點電阻極高,在用高壓試驗設備把電壓升到一定值時就產生閃絡擊穿的故障。
據統計,能用直閃法測量的電纜故障,約占電纜故障總數的20%,在預防性試驗中出現的電纜故障多屬于該類故障。直閃法獲得的波形簡單、容易理解。而一些故障點在幾次閃絡放電之后,往往造成故障點電阻下降,以致不能再用直閃法測試,故實際工作中應珍惜能夠進行直閃測試的機會。
2. 直流高壓閃絡測試法接線方式
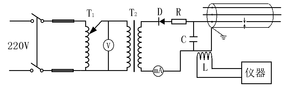
直閃法接線如圖4.3所示,T1為調壓器、T2為高壓試驗變壓器,容量在0.5~1.0千伏安之間,輸出電壓在30~60千伏之間;C為儲能電容器;L為線性電流耦合器。
線性電流耦合器L的輸出經屏蔽電纜接測距儀器的輸入端子。注意:一般線性電流耦合器L的正面標有放置方向,應將電流耦合器按標示的方向放置,否則,輸出的波形極性會不正確。

圖4.3 直閃法測試接線
儲能電容C對高頻行波信號呈短路狀態,在故障點擊穿產生的電壓、電流行波到達后,起產生電流信號的作用,可選用脈沖電容器,也可使用6千伏(直流高壓在30千伏以下時)或10千伏(直流高壓在30~50千伏之間時)電力電容器,電容容量宜選在1~4微法。實際測試中,應盡可能使電容容量大一些,這有助于使故障點充分放電,獲得的脈沖電流波形規范,容易識別。
在實際測試中,往往出現因接線或線性電流耦合器L放置不當而造成的波形不規范,不容易識別故障點距離。應嚴格按圖4.3接線,把高壓發生器接地線與電容器低壓側出線連接在一起后接電纜的外皮。圖4.4是一種不正確的接線方法,操作人員往往圖方便,把電容低壓側出線接在接地網上,通過接地網與電纜外皮相接。行波經過接地網傳播,可能因傳輸距離較長,造成脈沖電流波形不規范。應盡量縮短電容與電纜之間的連線,以避免因導引線過長造成波形失真。線性電流耦合器L應放在電容器低壓側出線上。

圖4.4 不正確的接地
為安全起見,高壓設備、電容器的外殼、電纜的完好線芯一定要就近接電站的接地網。
圖4.3是相對地故障的接線,對于相對相故障來說,可把其中一個故障芯線與地接在一起后進行測試。其故障點擊穿產生的電流波過程與相對地類似,故不再單獨敘述。
3. 故障點擊穿與否的判斷
逐漸升高加在電纜上的直流電壓,當電壓超過故障間隙擊穿電壓時,故障點擊穿放電。
故障點擊穿,除了測量儀器被觸發顯示出波形外,還可通過以下現象判斷:
(1) 電壓突然下降(電壓表指針向刻度零點擺動);
(2) 直流泄漏電流突然增大(微安表指針突然向上擺動);
(3) 過電流繼電器動作;
(4) 與試驗設備相接的地線處出現“回火”,聽到“啪,啪”的響聲。


客服1